经试验研究,塑木材料用木粉如采用20~80目之间的锯末类木粉,其综合使用性能(包括物料均匀性、下料流畅性及物理性能等)较好。因此,所用木质纤维一般应加工为此粒径范围内最好。
现介绍木粉加工设备。
①粉碎机:可把木头或其他木质材料粉碎为10~30mm的设备。该类设备一般可由市场中直接购买。
②研磨机:把由粉碎机粉碎的10—30mm的材料块研磨为20—80目之间的木粉。一般来说,木器加工厂产生的锯末完全符合塑木材料用木粉的条件,可以不需研磨,只需烘干和表面处理即可使用。但多数情况下,特别是生产规模较大的时候,
就需要用研磨机加工木粉。矿山用研磨机也可以用来加工木粉, 其产品符合加工要求。该设备可由市场直接购买。
现介绍一种高能低耗、可在较大范围(20目至几个纳米范围)内操作的加工粉体的设备—口JFC射流粉碎与分级设备(专利产品)。其生产线示意见图4.5。
该设备特点如下所述。
①特殊的气流控制系统及多个分级轮,分级精度高、粒度细、
②成品平均粒度(D50)从1.0,um到20,o.m可任意调节,成品最大粒度可以控制在Dso+4/lm的范围内。
③气流与物料分路进入粉碎室,物料互撞实现粉碎,故喷嘴和粉碎室磨损小,成品纯度高。可粉碎莫氏硬度1~10的 物料。
④可根据磨料行业的标准,生产符合国内外标准的“号料”。
⑤单独分级机分级效率高,处理量大,可根据用户要求进行制造。该机还可配装于各种机械粉碎设备(如球磨机等),可显著改善和控制成品粒度与质量。
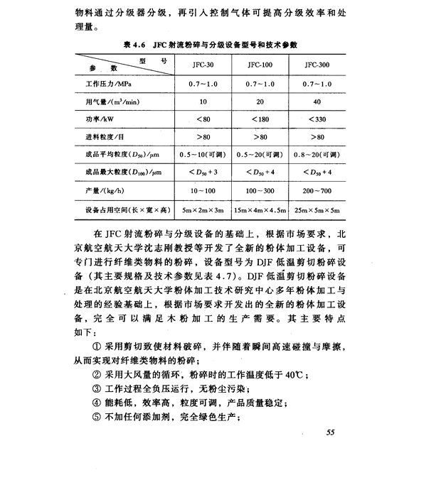
JFC射流粉碎与分级设备型号和技术参数见表4.6。
JFC射流粉碎与分级设备工作原理为:将干燥无油的压缩空气加速为超音速气流,该气流携带物料作高速运动,使物料相互碰撞、摩擦,直至破碎;达到粒度要求的物料通过分级器由收集器收集,未达到粒度要求的物料由分级器返回到粉碎室继续粉碎。整个过程为全封闭连续运行,无粉尘污染,噪声小。对于易氧化物料,可用惰性气体进行粉碎与分级。
单独分级机的工作原理为:用气流使待分级物料充分分散,

