网站首页 ┊ 网站导航 ┊ 再生服务 ┊ 国际系统 ┊ 手机版
再生塑料网
再生塑料业第一商务平台
供应 采购 现货 合作 公司库 环保审批 进口统计 培训 人才 百科 再生宝
PETPPPA PVC HDPE PMMA
价格 指数 快递 原料 知识库 网上学院 商务资料 资讯 论坛 博客 知道 ABSPC PSPOM LDPE 机械
 
您当前位置:首页 > 资料库 > 塑机样本 >> 紧急求购请拨打热线:400-809-2099   vip@zssl.net
 
基本资料:行业资料 塑机样本 原料参数 企业资料 贸易进口
YJ2000塑料注射成型机

    2300人次浏览    【 双击鼠标滚屏 】
 
 
YJ2000塑料注射成型机


注射部分
锁模部分
电液控制模式

双缸平衡式注射系统
高扭力液压马达直接驱动螺杆
数控方式控制塑化温度
可调式背压及防流涎装置

五支点双曲肘合模系统,多段启闭模速度控制
液压调模装置
集中润滑系统
多次液压顶出装置

继电器,普通电磁溢流阀系统,操作面板采用旋扭开关,压力采用溢流阀调节
PLC,单比例阀系统,操作面板采用触摸开关,小泵压力采用拔码调节
电脑,双比例PQ阀系统,操作面板采用触摸开关,显示屏显示各工作参数,压力流量用电脑控制调节



                  型号
项目

YJ2000

螺杆直径

mm 48 52
螺杆长径比 L/D 18.5 17.3
理论注射容积 cm³ 400 470
实际注射质量(PS) g 380 430
实际注射质量 oz 13.4 15.2
注射速率 g/s 152 183
塑化能力 g/s 24.5 28.6
注射压力 Mpa 151 142
螺杆转速 rpm 180

锁模力 KN 2000
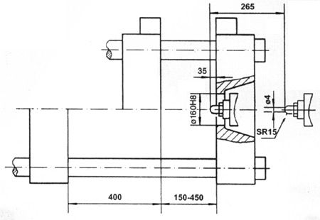
移模行程 mm 400
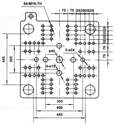
拉杆有效间距 mm 445×445
最大模厚 mm 450
最小模厚 mm 150
顶出行程 mm 100
顶出力 KN 43
顶出杆根数 PC 1

油泵最大压力 MPa 15.5
料筒加热功率 KW 9.6
油泵电机功率 KW 18.5
外形尺寸(长×宽×高) mm 4.9×1.26×2
机器重量(约)

t

4.5

 
宁波甬江集团有限公司
地址: 宁波市大闸路60号
电话: 574-87350770 87353547
传真: 574-87350770
邮编: 315020

 相 关 信 息 
YJT1200塑料注射成型机 2005-12- 17
YJT1200塑料注射成型机 2005-12- 17
YJ1000塑料注射成型机 2005-12- 17
YJ1000塑料注射成型机 2005-12- 17
YJ800 塑料注射成型机 2005-12- 17
YJ800 塑料注射成型机 2005-12- 17
HTC280冷室金属压铸机 2005-12- 17
HTC280冷室金属压铸机 2005-12- 17
注:本信息仅供参考,    风险自负!
金牌通全站广告位
品牌通全站广告位

  再生服务 | 广告服务 | 关于我们 | 联系我们 | 网站地图 | 网站动态| 友情链接
客服专线:400-809-2099(转11)    E-mail:1984942759@qq.com
业务咨询QQ:1984942759   www.zssl.net @ 2013-2020 耗费2,187.500毫秒