网站首页
┊
网站导航
┊
再生服务
┊
国际系统
┊
手机版
再生塑料业第一商务平台
供应
采购
现货
合作
公司库
环保审批
进口统计
培训
人才
百科
再生宝
子
站
PET
PP
PA
PVC
HDPE
PMMA
价格
指数
快递
原料
知识库
网上学院
商务资料
资讯
论坛
博客
知道
ABS
PC
PS
POM
LDPE
机械
您当前位置:
首页
>
资料库
> 塑机样本 >>
紧急求购请拨打热线:400-809-2099 vip@zssl.net
基本资料:
行业资料
塑机样本
原料参数
企业资料
贸易进口
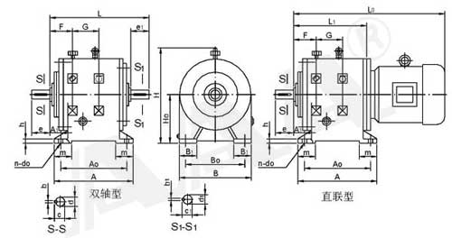
LCW型卧式两级硬齿面圆柱齿轮减速机
460
人次浏览
【 双击鼠标滚屏 】
LCW型卧式两级硬齿面圆柱齿轮减速机
LCW型是LC型立式两级硬齿面圆柱齿轮减速机派生系列,并具有与LC形相同的适用条件、性能、组合配套范围和特点,适用于各行业设备的减速装置。
>>本系列减速机有直联式和双轴式二种,其输出轴结构型式为普通圆柱形轴伸,联轴器应选用TK型弹性块联轴器或具有一定位移量的其他弹性联轴器。
>>电机安装型式为B5或V1,该机既可卧式安装,也可立式安装作为搅拌减速装置。双轴式不带电机,其输入功率应根据输出轴许用扭矩来定。基本参数和型号系列见表3.3-2,选型方法与LC型相同。
减速机外形图
浙江长城减速机有限公司
地址:温州市高新路30号
电话:0577-88628628 88628627 56891898
传真:0577-88628622
邮编:325028
相 关 信 息
【 收藏该信息 】
【 打印 】
【 关闭窗口 】
【 向朋友推荐 】
•
DJC型立式单级硬齿面圆柱齿轮减速机
2005-12- 24
•
DJC型立式单级硬齿面圆柱齿轮减速机
2005-12- 24
•
FJ型硬齿面圆柱圆锥齿轮减速机
2005-12- 24
•
FJ型硬齿面圆柱圆锥齿轮减速机
2005-12- 24
•
LF2型圆锥、圆柱齿轮减速机
2005-12- 24
•
LF2型圆锥、圆柱齿轮减速机
2005-12- 24
•
CF型同轴式二级、三级硬齿面圆柱齿轮立式减速机
2005-12- 24
•
CF型同轴式二级、三级硬齿面圆柱齿轮立式减速机
2005-12- 24
注:本信息仅供参考, 风险自负!
金牌通全站广告位
品牌通全站广告位
再生服务
|
广告服务
|
关于我们
|
联系我们
|
网站地图
|
网站动态
|
友情链接
客服专线:400-809-2099(转11) E-mail:1984942759@qq.com
业务咨询QQ:1984942759 www.zssl.net @ 2013-2020 耗费2,416.992毫秒