网站首页
┊
网站导航
┊
再生服务
┊
国际系统
┊
手机版
再生塑料业第一商务平台
供应
采购
现货
合作
公司库
环保审批
进口统计
培训
人才
百科
再生宝
子
站
PET
PP
PA
PVC
HDPE
PMMA
价格
指数
快递
原料
知识库
网上学院
商务资料
资讯
论坛
博客
知道
ABS
PC
PS
POM
LDPE
机械
您当前位置:
首页
>
资料库
> 塑机样本 >>
紧急求购请拨打热线:400-809-2099 vip@zssl.net
基本资料:
行业资料
塑机样本
原料参数
企业资料
贸易进口
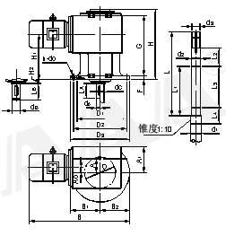
CW型两级齿轮、圆弧齿圆柱蜗杆减速机
499
人次浏览
【 双击鼠标滚屏 】
CW型两级齿轮、圆弧齿圆柱蜗杆减速机
CW型减速机是在W型基础上将一级带传动改为齿轮传动,使传动比更准确,提高传动精度及传动效率,扩大传动比范围,缩小外形尺寸,使结构更为紧凑。
该系列减速机特别适用于空间位置小,防尘要求高,支承跨距大的场合。本系列减速机可直接与TⅠ、TⅡ、TⅢ型搪玻璃反应罐专用机架配套,也可选择WJ、DJ、SJ及XD、XS系列带过渡接板的机架。
CW型减速机
浙江长城减速机有限公司
地址:温州市高新路30号
电话:0577-88628628 88628627 56891898
传真:0577-88628622
邮编:325028
相 关 信 息
【 收藏该信息 】
【 打印 】
【 关闭窗口 】
【 向朋友推荐 】
•
WHC型圆弧齿圆柱蜗杆减速机
2005-12- 24
•
WHC型圆弧齿圆柱蜗杆减速机
2005-12- 24
•
NC型离心机专用差速器
2005-12- 24
•
NC型离心机专用差速器
2005-12- 24
•
NB型离心机专用差速器
2005-12- 24
•
NB型离心机专用差速器
2005-12- 24
•
LC齿轮减速机
2005-12- 24
•
LC齿轮减速机
2005-12- 24
注:本信息仅供参考, 风险自负!
金牌通全站广告位
品牌通全站广告位
再生服务
|
广告服务
|
关于我们
|
联系我们
|
网站地图
|
网站动态
|
友情链接
客服专线:400-809-2099(转11) E-mail:1984942759@qq.com
业务咨询QQ:1984942759 www.zssl.net @ 2013-2020 耗费2,437.500毫秒