网站首页
┊
网站导航
┊
再生服务
┊
国际系统
┊
手机版
再生塑料业第一商务平台
供应
采购
现货
合作
公司库
环保审批
进口统计
培训
人才
百科
再生宝
子
站
PET
PP
PA
PVC
HDPE
PMMA
价格
指数
快递
原料
知识库
网上学院
商务资料
资讯
论坛
博客
知道
ABS
PC
PS
POM
LDPE
机械
您当前位置:
首页
>
资料库
> 塑机样本 >>
紧急求购请拨打热线:400-809-2099 vip@zssl.net
基本资料:
行业资料
塑机样本
原料参数
企业资料
贸易进口
V系列比例变量泵注塑机-CJ80M3V
1360
人次浏览
【 双击鼠标滚屏 】
V系列比例变量泵注塑机
-
CJ80M3V
特点:
◆ 全新V系列省电星,配备高响应功率匹配比例变量泵系统令注塑机液压系统输出与整机运行所需功率匹配,无高压节流溢流能量损失,与标准机型相比,可节电25-50%,成本效益至为明显,相同电机功率可配用更大排量油泵,令整机速度加快。更配有进口高性能精密滤油装置,在该装置正常连续工作情况下,油污等级达至美国NAS8级以内,对机器液压系统将无需顾虑。
参数表
射胶系统
理论注射容积
cm
3
163
220
264
实际注射量
g(克)
153
204
244
oz(盎司)
5.4
7.2
8.6
螺丝直径
mm
36
42
46
射胶压力
MPa
185
136
113
螺丝长度直径比
---
23:1
20:1
18:1
螺丝直径
mm
160
螺丝转速
r/min
0-150
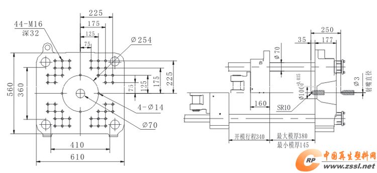
锁模系统
锁模力
KN
1200
开模行距
mm
340
模板尺寸
mm*mm
590*550
连接柱内距
mm*mm
410*360
模具最大距离
mm
720
模容量(最薄-最厚)
mm
145-380
油压顶出行程
mm
100
油压顶出力
KN
41.5
动力/电热
油压系统压力
MPa
17.5
油泵马达
kW
11
电热量
kW
8.85
温度控制区数
---
3+射嘴
其他
循环时间(全行程)
sec
1.5
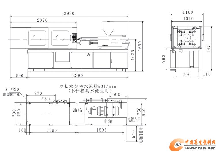
油箱容量
L
200
机械外形尺寸(L*W*H)
m*m*m
4*1.18*1.7
机重
kg
3000
安装尺寸
模板尺寸
震德塑料机械有限公司
地址: 广东省佛山市顺德区大良红岗工业区(528300)
Tel:0757--22338778(市场部) 22338632(售后服务)22338715、22338725(零件门市部)
Fax:0757-22338566(销售),22636255(售后、门市),22627560(行政)
相 关 信 息
【 收藏该信息 】
【 打印 】
【 关闭窗口 】
【 向朋友推荐 】
•
V系列比例变量泵注塑机-CJ150M3V
2005-11- 10
•
V系列比例变量泵注塑机-CJ150M3V
2005-11- 10
•
V系列比例变量泵注塑机-CJ120M3V
2005-11- 10
•
V系列比例变量泵注塑机-CJ120M3V
2005-11- 10
•
V系列比例变量泵注塑机
2005-11- 9
•
V系列比例变量泵注塑机
2005-11- 9
•
MD 系列连续混炼机
2005-11- 9
•
MD 系列连续混炼机
2005-11- 9
注:本信息仅供参考, 风险自负!
金牌通全站广告位
品牌通全站广告位
再生服务
|
广告服务
|
关于我们
|
联系我们
|
网站地图
|
网站动态
|
友情链接
客服专线:400-809-2099(转11) E-mail:1984942759@qq.com
业务咨询QQ:1984942759 www.zssl.net @ 2013-2020 耗费2,078.125毫秒