网站首页
┊
网站导航
┊
再生服务
┊
国际系统
┊
手机版
再生塑料业第一商务平台
供应
采购
现货
合作
公司库
环保审批
进口统计
培训
人才
百科
再生宝
子
站
PET
PP
PA
PVC
HDPE
PMMA
价格
指数
快递
原料
知识库
网上学院
商务资料
资讯
论坛
博客
知道
ABS
PC
PS
POM
LDPE
机械
您当前位置:
首页
>
资料库
> 塑机样本 >>
紧急求购请拨打热线:400-809-2099 vip@zssl.net
基本资料:
行业资料
塑机样本
原料参数
企业资料
贸易进口
卡罗门系列注塑机--PD-468
912
人次浏览
【 双击鼠标滚屏 】
卡罗门系列
注塑机
--
PD-468
参考图片
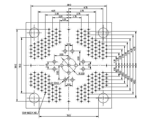
机板孔图
技术参数
项目
单位
A
B
C
射胶装置
螺杆直径
mm
75
80
85
螺杆长径比
L/D
22
20
19
射胶重量
g
1450
1650
1862
OZ
50
58
65
射胶容量
cm
3
1576
1793
2024
射胶压力
kg/cm
2
1830
1610
1430
射胶行程
mm
335
最高射出率
cm
3
/sec
446
507
572
螺杆转速
r.p.m
0-140
电热功率
KW
21.5
锁模装置
导柱内空隙
mm
(W)780*(H)780
锁模力
ton
468
容模厚度
mm
350-920
开模行程
mm
780
顶针行程
mm
200
顶针顶出力
ton
11
其它
油系统最高压力
kg/cm
2
140
电动马达功率
KW
45
重量
ton
21
外型尺寸
(长×宽×高)
m
8.2*1.8*2.1
油箱容积
L
670
广东佳明机器有限公司
地址:广东省佛山市南海盐步平地工业开发区
电话:86-757-88397288 88396229 88396239
传真:86-757-88396228 88396200
邮编:528247
相 关 信 息
【 收藏该信息 】
【 打印 】
【 关闭窗口 】
【 向朋友推荐 】
•
卡罗门系列注塑机--PD-398
2005-11- 19
•
卡罗门系列注塑机--PD-398
2005-11- 19
•
卡罗门系列注塑机--PD-368
2005-11- 19
•
卡罗门系列注塑机--PD-368
2005-11- 19
•
卡罗门系列注塑机--PD-328
2005-11- 19
•
卡罗门系列注塑机--PD-328
2005-11- 19
•
卡罗门系列注塑机--PD-288
2005-11- 19
•
卡罗门系列注塑机--PD-288
2005-11- 19
注:本信息仅供参考, 风险自负!
金牌通全站广告位
品牌通全站广告位
再生服务
|
广告服务
|
关于我们
|
联系我们
|
网站地图
|
网站动态
|
友情链接
客服专线:400-809-2099(转11) E-mail:1984942759@qq.com
业务咨询QQ:1984942759 www.zssl.net @ 2013-2020 耗费2,054.688毫秒