网站首页
┊
网站导航
┊
再生服务
┊
国际系统
┊
手机版
再生塑料业第一商务平台
供应
采购
现货
合作
公司库
环保审批
进口统计
培训
人才
百科
再生宝
子
站
PET
PP
PA
PVC
HDPE
PMMA
价格
指数
快递
原料
知识库
网上学院
商务资料
资讯
论坛
博客
知道
ABS
PC
PS
POM
LDPE
机械
您当前位置:
首页
>
资料库
> 塑机样本 >>
紧急求购请拨打热线:400-809-2099 vip@zssl.net
基本资料:
行业资料
塑机样本
原料参数
企业资料
贸易进口
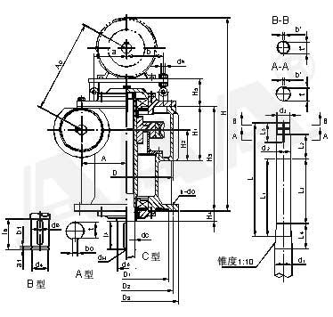
W型圆弧齿圆柱蜗杆减速机
499
人次浏览
【 双击鼠标滚屏 】
W型圆弧齿圆柱蜗杆减速机
圆弧齿圆柱蜗杆传动,它具有普通圆柱蜗杆传动的特点,并且承载能力和动力性能方面都有所提高。其特点有:
(a) 效率高。由于是凹凸圆弧齿廓啮合,接触线与蜗杆圆周速度方向间夹角较大,有利于形成润滑油膜,从而减少了啮合面间的摩擦,故磨损小、发热低、效率高;
(b) 承载能力高。由于凹凸齿面啮合,综合曲率半径大,因而降低了齿面接触应力,增大了齿面强度,提高了承载能力;
(c) 体积小、重量轻。由于齿面和齿根强度提高,使传动能力增大,在传递相同功率情况下,与普通圆柱蜗杆传动相比,
体积小、重量轻,结构更紧凑。
>>在减速机结构上,出轴轴承跨距特大,增强了刚性; C型轴头出轴采用空心轴套结构,搅拌轴可直接插入减速机。
>>电动机通过三角胶带与减速机输入端相连,能起缓和作用,当需要时可设计成防静电胶带传动或无级变速带传动。本系列减速机可直接与TⅠ、TⅡ、TⅢ及TB型搪玻璃反应罐专用机架配套,也可选择WJ、DJ、SJ及XD、XS系列带过渡接板的机架。
W型减速机外形图
浙江长城减速机有限公司
地址:温州市高新路30号
电话:0577-88628628 88628627 56891898
传真:0577-88628622
邮编:325028
相 关 信 息
【 收藏该信息 】
【 打印 】
【 关闭窗口 】
【 向朋友推荐 】
•
CW型两级齿轮、圆弧齿圆柱蜗杆减速机
2005-12- 24
•
CW型两级齿轮、圆弧齿圆柱蜗杆减速机
2005-12- 24
•
WHC型圆弧齿圆柱蜗杆减速机
2005-12- 24
•
WHC型圆弧齿圆柱蜗杆减速机
2005-12- 24
•
NC型离心机专用差速器
2005-12- 24
•
NC型离心机专用差速器
2005-12- 24
•
NB型离心机专用差速器
2005-12- 24
•
NB型离心机专用差速器
2005-12- 24
注:本信息仅供参考, 风险自负!
金牌通全站广告位
品牌通全站广告位
再生服务
|
广告服务
|
关于我们
|
联系我们
|
网站地图
|
网站动态
|
友情链接
客服专线:400-809-2099(转11) E-mail:1984942759@qq.com
业务咨询QQ:1984942759 www.zssl.net @ 2013-2020 耗费2,625.000毫秒