网站首页 ┊ 网站导航 ┊ 再生服务 ┊ 国际系统 ┊ 手机版
再生塑料网
再生塑料业第一商务平台
供应 采购 现货 合作 公司库 环保审批 进口统计 培训 人才 百科 再生宝
PETPPPA PVC HDPE PMMA
价格 指数 快递 原料 知识库 网上学院 商务资料 资讯 论坛 博客 知道 ABSPC PSPOM LDPE 机械
 
您当前位置:首页 > 供应信息 > 芜湖龙曼供应颜料白沉淀硫酸钡 > 紧急求购请拨打热线:0-87310930   vip@zssl.net
 
相关链接:再生助剂 颜料 0
芜湖龙曼钛白科技有限公司
普通会员 第 10 年
轻松开展网上贸易就用品牌通  

供应芜湖龙曼供应颜料白沉淀硫酸钡报价

 类别:再生助剂 - 颜料 -0    浏览:1346
意向价格:   3200--3500  CNY元/吨
货物数量:   50000 交易方式:  其他
颜    色:   白色 运输方式:  其他
主要应用:   填充 货物地点:  
发布时间:   2017/10/9 10:08:00 有效期:  2018-1-7
手机短信
我要出价 出价记录
收藏该信息
查看大图
详细信息  
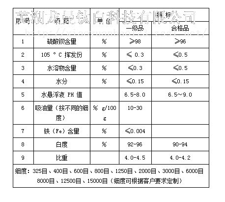
白度高纯,微细晶体结构特性和高折光率,使色彩更显丰富饱满。良好的化学惰性,使系统基本环境保持稳定;超微细颗粒表面能强,相容性好,能与其它材料有机交叉复合,增强结合力;均匀分散的微粉单体,稳定悬浮在体系中,不产生絮凝或沉淀;高密度,带来良好的耐磨性能。具有特殊的射线吸收功能,大大提高涂料的耐候性。

用途:可吸收X射线、γ射线,并赋予材料较高的密度和表面光洁度,

印刷方面——做油墨填料,能起到耐老化、耐暴晒,增加附着力、色泽清晰、鲜艳、不褪色的作用。

填料方面——在轮胎橡胶、绝缘橡胶、胶板、胶带、工程塑料中能增强产品的抗老化性能和耐候性,产品不易老化变脆,并能显著改善表面光洁度,降低制作生产成本,作为粉末涂料的主力填料,是调节粉体容重提高上粉率的主要手段。

功能材料方面——作为造纸材料(主要用膏状产品)、阻燃材料、防X射线材料、蓄电池阴极材料等。均能表现出独特的性能,是相关材料不可缺少的重要组成部分。

其他领域——陶瓷、玻璃原料、特种树脂摸具材料、特殊粒径分布的沉淀硫酸钡与钛白粉复配,对钛白粉有增效作用,进而减少钛白粉的用量。                        

包装:25kg/包,采用纸塑复合袋包装,也可根据客户要求包装。

白度高纯,微细晶体结构特性和高折光率,使色彩更显丰富饱满。良好的化学惰性,使系统基本环境保持稳定;超微细颗粒表面能强,相容性好,能与其它材料有机交叉复合,增强结合力;均匀分散的微粉单体,稳定悬浮在体系中,不产生絮凝或沉淀;高密度,带来良好的耐磨性能。具有特殊的射线吸收功能,大大提高涂料的耐候性。

 

公司信息
最新供应
最新需求
公司网站
加为商友
本企业最新供应信息
    芜湖龙曼供应颜料白沉淀硫  3200--3500
    安徽芜湖龙曼供应涂料专用  6500--7000
    安徽芜湖LM200改善粉  21000--22000
    龙曼供应精细化工填料钛白  11000--12000
    安徽芜湖龙曼钛白供应超细  5500--6000
    安徽芜湖氯化法金红石型钛  18500--19000
    安徽芜湖采用硫酸法制成金  14500--15000
    安徽芜湖超细硫酸钡白度高  1200--1300

芜湖龙曼钛白科技有限公司

联 系 人:   方女士 女士  
电    话:   86-0553-8801805
手    机:   15178576105
HTTP:   http://xiaoyuanbao123.zssl.net/  
地   址:  
安徽芜湖--芜湖市镜湖区万达广场1期2号楼1410室
  全站相关供应
 
金牌通全站广告位
品牌通全站广告位
  金牌推荐供应
 
    免责声明:以上信息由 芜湖龙曼钛白科技有限公司 提供,该企业负责信息内容的真实性、准确性和合法性。ZSSL.NET中国再生塑料网对此不承担任何保证责任

      再生服务 | 广告服务 | 关于我们 | 联系我们 | 网站地图 | 网站动态| 友情链接
    客服专线:400-809-2099(转11)    E-mail:1984942759@qq.com
    业务咨询QQ:1984942759   www.zssl.net @ 2013-2020 耗费2,910.156毫秒